16 Mar,2026
Gear vs Vane vs Loine: Cén Caidéal Hiodrálacha Tionsclaíoch a thairgeann an Éifeachtúlacht is Fearr?


Mótair le brú ard, tiomáint ardluais, agus comhlaí comhardaithe,
Tá sé deartha le haghaidh coinníollacha ard-ualach
Is é an réiteach idéalach é do thochaltóir hiodrálach 6 go 50 tonna
Dearadh éifeachtach agus dlúth
Méadaíonn teicneolaíocht ardbhrú éifeachtacht an chórais hiodrálacha
Mótar dhá luas le comhla iarmhéid comhtháite agus comhla faoisimh brú
Comhtháthaíonn an mótar feidhm coscánaithe hiodrálach
Is féidir luas a athrú go huathoibríoch ar iarratas
Teocht íseal, éifeachtacht ard
Raon teochta oibriúcháin: -20 ° C ~ 80 ° C
Dearadh dlúth
Leathnaíonn mótair ardbhrú díláithrithe íseal saol seirbhíse na gcomhpháirteanna tábhachtacha agus feabhsaíonn siad an t-iomlán
Marthanacht an chórais
Líneáil chopair uile le haghaidh rothlú plunger hiodrálach
Tráidire dáileadh miotail dhúbailte (copar/cruach).
Feabhsaíonn an teaglaim rothlaithe le córas earrach speisialta saol an mhótair
An córas séalaithe triple laghdaitheora: séala labyrinth meicniúil, séala ola de chineál V, príomhshéala ola.
Is féidir an príomhshéala ola a athsholáthar gan an laghdaitheoir a dhíchóimeáil
Is comhpháirteanna neamhspleácha iad imthacaí an laghdaitheora, éasca le suiteáil, agus is féidir iad a réamhshocrú go hiomlán le haghaidh ualaí diúltacha
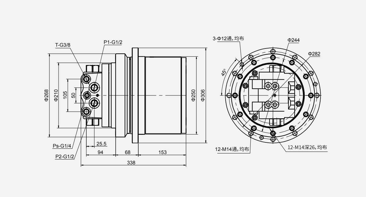
ITM01:
| Módúil | (L/nóim) | (ML/r) | (Mpa) | (Mpa) | Cóimheas giar | (N.m) | (r/nóim) | Rothlú | (℃) | (mm2/s) |
| ITM01 | 20 | 6.31/12.56 | 25 | 2-7 | 36.96 | 1845 | 85.8/43 | déthreoch | -20- 80 | 16-25 |
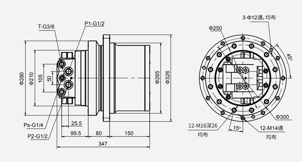
| Módúil | (L/nóim) | (ML/r) | (Mpa) | (Mpa) | Cóimheas giar | (N.m) | (r/nóim) | Rothlú | (℃) | (mm2/s) |
| ITM03 | 40 | 12/18 | 21 | 2-7 | 45.2 | 2719 | 55/37 | déthreoch | -20- 80 | 16-25 |
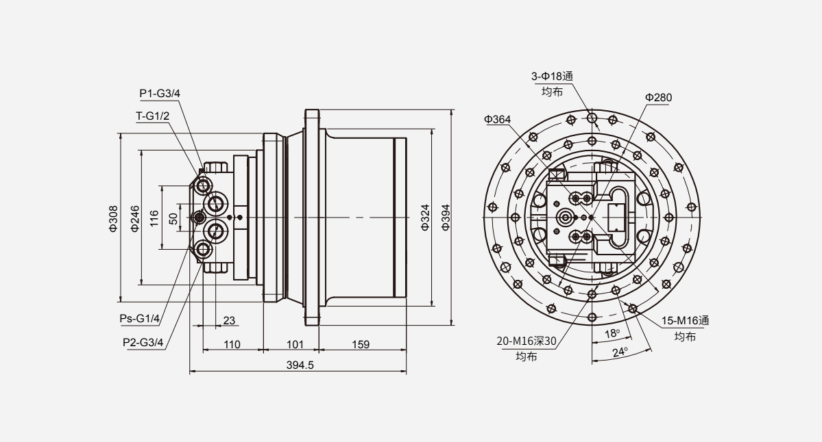
ITM04:
| Módúil | (L/nóim) | (ML/r) Mótar | (Mpa) | (Mpa) | Cóimheas giar | (N.m) | (r/nóim) | Rothlú | (℃) ola | (mm2/s) |
| ITM04 | 40 | 14.3/23.6 | 21 | 2-7 | 52.7 | 4200 | 55/33 | déthreoch | -20- 80 | 16-25 |
| Módúil | (L/nóim) Sreabhadh ionchuir | (ML/r) | (Mpa) | (Mpa) | Cóimheas giar | (N.m) | (r/nóim) | Rothlú | (℃) | (mm2/s) |
| ITM06 | 50 | 19/34 | 24.5 | 2-7 | 47.53 | 6300 | 55/30 | déthreoch | -20- 80 | 16-25 |
| Módúil | (L/nóim) Sreabhadh ionchuir | (ML/r) | (Mpa) Brú Oibre | (Mpa) | Cóimheas giar | (N.m) | (r/nóim) | Rothlú | (℃)ola | (mm2/s) |
| ITM07 | 50 | 22/44 | 27.5 | 2-7 | 53.706 | 10500 | 50/25 | déthreoch | -20- 80 | 16-25 |
ITM09:
| Módúil | (L/nóim) | (ML/r) | (Mpa) | (Mpa) | Cóimheas giar | (N.m) | (r/nóim) | Rothlú | (℃) | (mm2/s) |
| ITM09 | 80 | 34/53 | 30 | 2-7 | 53.7 | 11500 | 51/33 | déthreoch | -20- 80 | 16-25 |
| Módúil | (L/nóim) | (ML/r) | (Mpa) | (Mpa) | Cóimheas giar | (N.m) | (r/nóim) | Rothlú | (℃) | (mm2/s) |
| ITM10 | 80 | 38/65 | 25 | 2-7 | 53.7 | 13000 | 51/33 | déthreoch | -20- 80 | 16-25 |
| Módúil | (L/nóim) | (ML/r) | (Mpa) | (Mpa) | Cóimheas giar | (N.m) | (r/nóim) | Rothlú | (℃) | (mm2/s) |
| ITM18 | 130 | 43/67 | 30 | 2-7 | 53 | 16900 | 57/37 | déthreoch | -20- 80 | 16-25 |
| Módúil | (L/nóim) | (ML/r) | (Mpa) | (Mpa) | Cóimheas giar | (N.m) | (r/nóim) | Rothlú | (℃) | (mm2/s) | Infheidhme samhlacha |
| ITM22 | 130 | 48/81 | 34.3 | 2-7 | 53.7 | 23700 | 50/30 | déthreoch | -20- 80 | 16-25 | 13-17 |
| Módúil | (L/nóim) | (ML/r) | (Mpa) | (Mpa) | Cóimheas giar | (N.m) | (r/nóim) Teoiriciúil | Rothlú | (℃) | (mm2/s) |
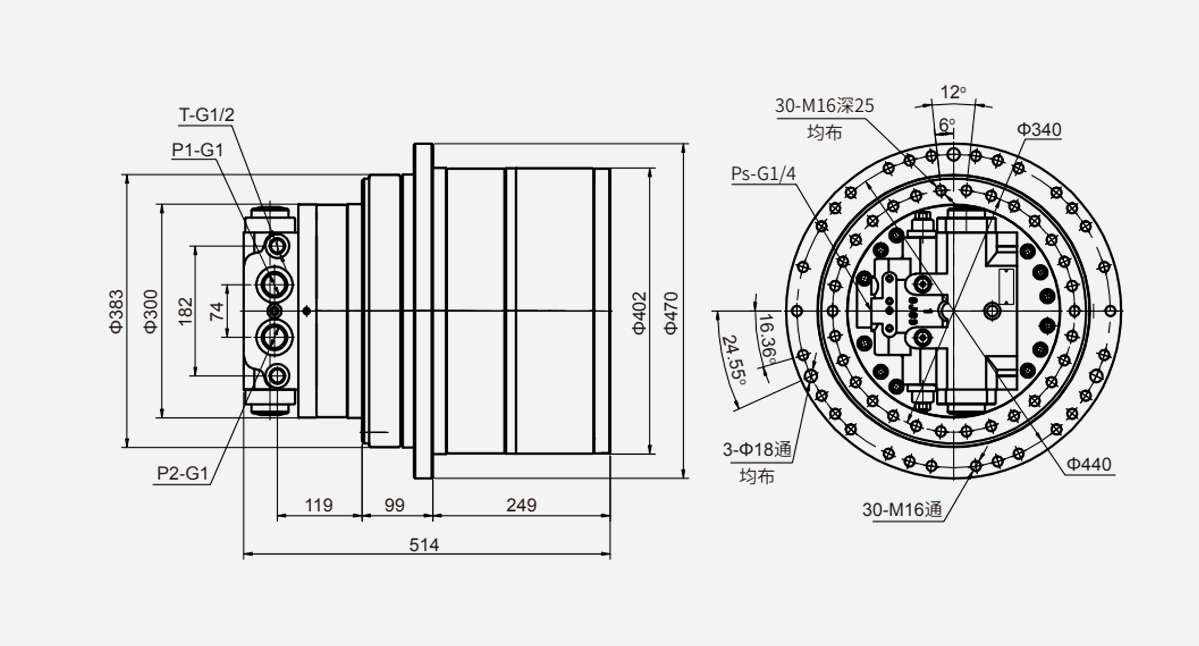
| ITM40 | 230 | 99/147 | 34.3 | 2-7 | 50.5 | 40546 | 50/32 | déthreoch | -20- 80 | 16-25 |
| Módúil | (L/nóim) | (ML/r) | (Mpa) | (Mpa) | Cóimheas giar | (N.m) | (r/nóim) | Rothlú | (℃) | (mm2/s) |
| ITM60 | 330 | 195/120 | 34.3 | 2-7 | 63.84 | 67000 | 40/26 | déthreoch | -20- 80 | 16-25 |
Tá muinín mhór ag úsáideoirí ar tháirgí a sholáthraíonn fiontair cáiliúla.
Taithí Tionscail Blianta
Limistéar Monarcha
Fostaithe Scil
Líne Táirgeadh Casta
INI Hydraulic Co., Ltd. go bhfuil sé sainfheidhmithe aige i gcaitheamh níos mó ná fiche bliana ar fhuincí hidraulacha, mótóirí hidraulacha agus gearbhoscaí pláin éadacha a dhearadh agus a mhonarú. Tá muid ar cheann de na soláthróirí aontachais gairmiúla do Mheiriceán Tógála san Áise. Is é an bealach atá againn a chumhdach chun dearthaí trealaimh ingeniúil na gcuideachtaí a bharrú ar an margadh. Thar 26 bliana, mar gheall ar an gealltanas atá againn nuálaíocht a dhéanamh i gcónaí chun riachtanais na gcuideachta a chomhlíonadh, tá raon leathan de línte táirgí forbartha againn bunaithe ar ár dteicneolaíochtaí féinfhorbaithe. Is éard atá sa spektrum leathan táirgí, gach ceann a chomhfhreagraíonn go dlúth, ar fhuincí hidráúlacha agus leictreacha, ar ghrianbhoscaí pláinéadacha, ar thiomáintí sláinte, ar thiomáintí trasdula, ar mhóthair hidráúlacha, ar bpompaí agus ar chórais hidráúlacha.
Tá iontaofacht ár dtáirgí cruthaithe go láidir in iarratais éagsúla, lena n-áirítear gan teorainn a chur le hinnealra tionsclaíoch, innealra tógála, innealra long & deic, trealamh amach ón gcósta, innealra mianadóireachta agus miotalóireachta.
Thairis sin, tá ár gcáilíocht táirge ceadaithe ag comhlachtaí deimhnithe iomadúla a bhfuil cáil dhomhanda orthu. I measc na ndeimhnithe, a fuair ár dtáirgí, tá Teastas Scrúdaithe Cineál CE, BV MODE, Teastas DNV GL, Fianú Comhréireachta CE, Deimhniú Cine-cheadaithe do Tháirgí Mara agus Dearbhú Cáilíochta Chlár Lloyd. Go dtí seo, seachas an tSín, ár margadh baile, ní mór dúinn ár gcuid táirgí a onnmhairiú go forleathan chuig na Stáit Aontaithe, an Ghearmáin, an Ísiltír, an Astráil, an Rúis, an Tuirc, Singeapór, an tSeapáin, an Chóiré Theas, an Mhalaeisia, Vítneam, an India agus an Iaráin. Clúdaíonn ár seirbhísí lóistíochta agus iar-díola an domhan ar fad go pras agus go hiontaofa ar mhaithe le leasanna domhain ár gcustaiméirí.
16 Mar,2026
09 Mar,2026
02 Mar,2026
23 Feb,2026
16 Feb,2026
09 Feb,2026
02 Feb,2026
26 Jan,2026
19 Jan,2026
TOPA