16 Mar,2026
Gear vs Vane vs Loine: Cén Caidéal Hiodrálacha Tionsclaíoch a thairgeann an Éifeachtúlacht is Fearr?








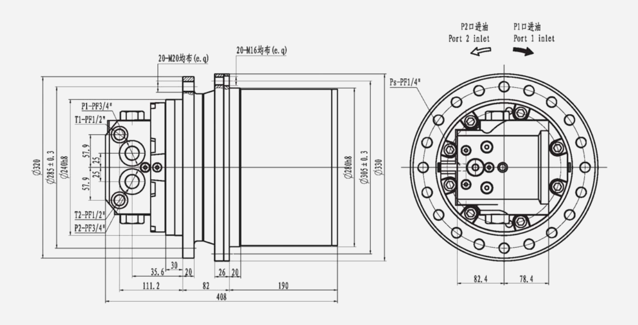
| uas. Casmhóiminte Aschuir | uas. Díláithriú Iomlán | uas. Díláithriú Mótair | Cóimheas Giar | uas. Luas | uas. Cóimheas | uas. Sreabhadh | uas. Brú | Aifreann | Aifreann Feithicle Infheidhme |
| N.m | ml/ath | ml/ath | rpm | Ard/Íseal | L/nóim | MPa | Kg | Ton | |
| 9000 | 3937.2 | 87.3
| 20.4·25.6 | 2800 | - | 150 | 35 | 100 | 6-9 |
CINEÁL: IGT17T2
| uas. Casmhóiminte Aschuir | uas. Díláithriú Iomlán | uas. Díláithriú Mótair | Cóimheas Giar | uas. Luas | uas. Cóimheas | uas. Sreabhadh | uas. Brú | Aifreann | Aifreann Feithicle Infheidhme |
| N.m | ml/ath | ml/ath | rpm | Ard/Íseal | L/nóim | MPa | Kg | Ton | |
| 17000 | 4714.2 | 87.3
| 26.4·32.1 | 2800 | Uasmhéid 1.8 | 150 | 35 | 150 | 8-12 |
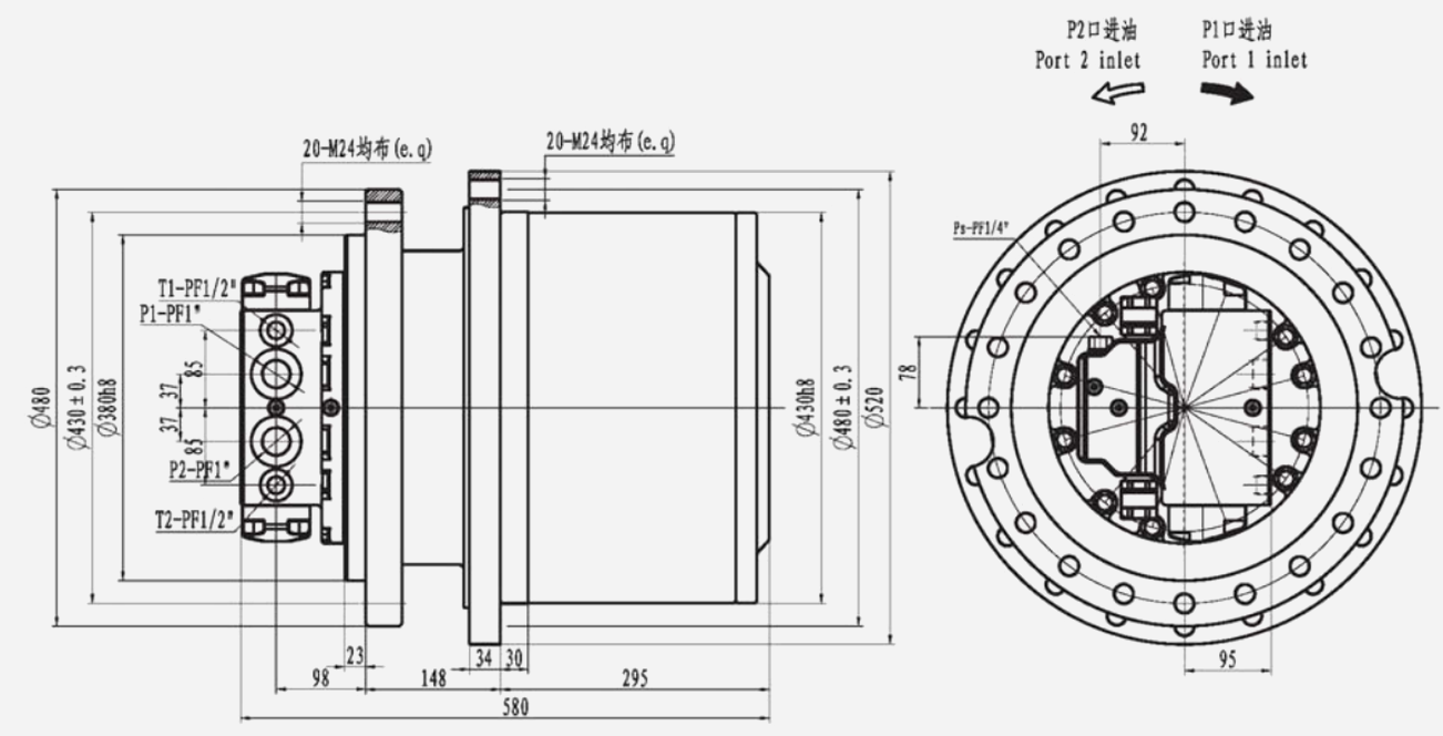
| uas. Casmhóiminte Aschuir | uas. Díláithriú Iomlán | uas. Díláithriú Mótair | Cóimheas Giar | uas. Luas | uas. Cóimheas | uas. Sreabhadh | uas. Brú | Aifreann | Aifreann Feithicle Infheidhme |
| N.m | ml/ath | ml/ath | rpm | Ard/Íseal | L/nóim | MPa | Kg | Ton | |
| 17000 | 8957 | 87.3
| 77.9·88.2 | 2800 | Uasmhéid 1.8 | 150 | 35 | 165 | 8-12 |
| uas. Casmhóiminte Aschuir | uas. Díláithriú Iomlán | uas. Díláithriú Mótair | Cóimheas Giar | uas. Luas | uas. Cóimheas | uas. Sreabhadh | uas. Brú | Aifreann | Aifreann Feithicle Infheidhme |
| N.m | ml/ath | ml/ath | rpm | Ard/Íseal | L/nóim | MPa | Kg | Ton | |
| 24000 | 11977.6 | 87.3
| 90.1·102.6 | 2800 | Uasmhéid 1.8 | 150 | 35 | 170 | 12-15 |
| uas. Casmhóiminte Aschuir | uas. Díláithriú Iomlán | uas. Díláithriú Mótair | Cóimheas Giar | uas. Luas | uas. Cóimheas | uas. Sreabhadh | uas. Brú | Aifreann | Aifreann Feithicle Infheidhme |
| N.m | ml/ath | ml/ath | rpm | Ard/Íseal | L/nóim | MPa | Kg | Ton | |
| 36000 | 11384/5607 | 87.3
| 67·79.4 | 2800 | Uasmhéid 1.8 | 150 | 35 | 235 | 12-15 |
| uas. Casmhóiminte Aschuir | uas. Díláithriú Iomlán | uas. Díláithriú Mótair | Cóimheas Giar | uas. Luas | uas. Cóimheas | uas. Sreabhadh | uas. Brú | Aifreann | Aifreann Feithicle Infheidhme |
| N.m | ml/ath | ml/ath | rpm | Ard/Íseal | L/nóim | MPa | Kg | Ton | |
| 36000 | 14832.3 | 171.6
| 67·79.4 | 2800 | Uasmhéid 1.8 | 150 | 35 | 255 | 20-35 |
| uas. Casmhóiminte Aschuir | uas. Díláithriú Iomlán | uas. Díláithriú Mótair | Cóimheas Giar | uas. Luas | uas. Cóimheas | uas. Sreabhadh | uas. Brú | Aifreann | Aifreann Feithicle Infheidhme |
| N.m | ml/ath | ml/ath | rpm | Ard/Íseal | L/nóim | MPa | Kg | Ton | |
| 60000 | 14832.3/5607 | 171.6
| 86.5·94.8 | 2800 | Uasmhéid 1.8 | 150 | 35 | 300 | 25-40 |
| uas. Casmhóiminte Aschuir | uas. Díláithriú Iomlán | uas. Díláithriú Mótair | Cóimheas Giar | uas. Luas | uas. Cóimheas | uas. Sreabhadh | uas. Brú | Aifreann | Aifreann Feithicle Infheidhme |
| N.m | ml/ath | ml/ath | rpm | Ard/Íseal | L/nóim | MPa | Kg | Ton | |
| 60000 | 29154.84 | 171.6/111
| 86.5·94.8 | 2800 | Uasmhéid 1.8 | 150 | 35 | 300 | 25-40 |
| uas. Casmhóiminte Aschuir | uas. Díláithriú Iomlán | uas. Díláithriú Mótair | Cóimheas Giar | uas. Luas | uas. Cóimheas | uas. Sreabhadh | uas. Brú | Aifreann | Aifreann Feithicle Infheidhme |
| N.m | ml/ath | ml/ath | rpm | Ard/Íseal | L/nóim | MPa | Kg | Ton | |
| 80000 | 31814.6 | 171.6
| 86.5·94.8 | 2800 | Uasmhéid 1.8 | 150 | 35 | 300 | 25-40 |
| 171.6/111 |
| uas. Casmhóiminte Aschuir | uas. Díláithriú Iomlán | uas. Díláithriú Mótair | Cóimheas Giar | uas. Luas | uas. Cóimheas | uas. Sreabhadh | uas. Brú | Aifreann | Aifreann Feithicle Infheidhme |
| N.m | ml/ath | ml/ath | rpm | Ard/Íseal | L/nóim | MPa | Kg | Ton | |
| 110000 | 36894 | 171.6
| 95.8·114.8 128.6·147.2 173.9·215 | 2500 | 2 uasta | 250 | 35 | 485 | 50-80 |
| 171.6/111 |
| uas. Casmhóiminte Aschuir | uas. Díláithriú Iomlán | uas. Díláithriú Mótair | Cóimheas Giar | uas. Luas | uas. Cóimheas | uas. Sreabhadh | uas. Brú | Aifreann | Aifreann Feithicle Infheidhme |
| N.m | ml/ath | ml/ath | rpm | Ard/Íseal | L/nóim | MPa | Kg | Ton | |
| 160000 | 43071.6 | 171.6
| 161.8·210.8 | 2500 | 2 uasta | 250 | 35 | 750 | 60-110 |
| 171.6/111 |
| uas. Casmhóiminte Aschuir | uas. Díláithriú Iomlán | uas. Díláithriú Mótair | Cóimheas Giar | uas. Luas | uas. Cóimheas | uas. Sreabhadh | uas. Brú | Aifreann | Aifreann Feithicle Infheidhme |
| N.m | ml/ath | ml/ath | rpm | Ard/Íseal | L/nóim | MPa | Kg | Ton | |
| 180000 | 43071.6 | 171.6
| 161.8·210.8 | 2500 | 2 uasta | 250 | 35 | 750 | 60-110 |
| 171.6/111 |
Tá muinín mhór ag úsáideoirí ar tháirgí a sholáthraíonn fiontair cáiliúla.
Taithí Tionscail Blianta
Limistéar Monarcha
Fostaithe Scil
Líne Táirgeadh Casta
INI Hydraulic Co., Ltd. go bhfuil sé sainfheidhmithe aige i gcaitheamh níos mó ná fiche bliana ar fhuincí hidraulacha, mótóirí hidraulacha agus gearbhoscaí pláin éadacha a dhearadh agus a mhonarú. Tá muid ar cheann de na soláthróirí aontachais gairmiúla do Mheiriceán Tógála san Áise. Is é an bealach atá againn a chumhdach chun dearthaí trealaimh ingeniúil na gcuideachtaí a bharrú ar an margadh. Thar 26 bliana, mar gheall ar an gealltanas atá againn nuálaíocht a dhéanamh i gcónaí chun riachtanais na gcuideachta a chomhlíonadh, tá raon leathan de línte táirgí forbartha againn bunaithe ar ár dteicneolaíochtaí féinfhorbaithe. Is éard atá sa spektrum leathan táirgí, gach ceann a chomhfhreagraíonn go dlúth, ar fhuincí hidráúlacha agus leictreacha, ar ghrianbhoscaí pláinéadacha, ar thiomáintí sláinte, ar thiomáintí trasdula, ar mhóthair hidráúlacha, ar bpompaí agus ar chórais hidráúlacha.
Tá iontaofacht ár dtáirgí cruthaithe go láidir in iarratais éagsúla, lena n-áirítear gan teorainn a chur le hinnealra tionsclaíoch, innealra tógála, innealra long & deic, trealamh amach ón gcósta, innealra mianadóireachta agus miotalóireachta.
Thairis sin, tá ár gcáilíocht táirge ceadaithe ag comhlachtaí deimhnithe iomadúla a bhfuil cáil dhomhanda orthu. I measc na ndeimhnithe, a fuair ár dtáirgí, tá Teastas Scrúdaithe Cineál CE, BV MODE, Teastas DNV GL, Fianú Comhréireachta CE, Deimhniú Cine-cheadaithe do Tháirgí Mara agus Dearbhú Cáilíochta Chlár Lloyd. Go dtí seo, seachas an tSín, ár margadh baile, ní mór dúinn ár gcuid táirgí a onnmhairiú go forleathan chuig na Stáit Aontaithe, an Ghearmáin, an Ísiltír, an Astráil, an Rúis, an Tuirc, Singeapór, an tSeapáin, an Chóiré Theas, an Mhalaeisia, Vítneam, an India agus an Iaráin. Clúdaíonn ár seirbhísí lóistíochta agus iar-díola an domhan ar fad go pras agus go hiontaofa ar mhaithe le leasanna domhain ár gcustaiméirí.
16 Mar,2026
09 Mar,2026
02 Mar,2026
23 Feb,2026
16 Feb,2026
09 Feb,2026
02 Feb,2026
26 Jan,2026
19 Jan,2026
TOPA